ここから本文です。
石巻市の避難場所として指定されている石巻工業高校にグリーンニューディール基金を用いて太陽光発電設備を導入したもの。
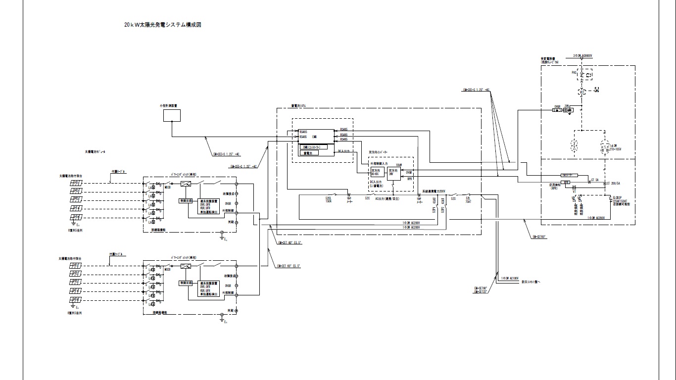
太陽光パネル(写真左)で発電した電気を使用することで商用電気使用量の低減を図るとともに,電気を使用しない時間に発電したものについては蓄電池(写真中)に電気を貯蔵し,災害等による停電時においては防災用コンセント盤(写真左)から緊急対策や県民情報発信のための電力供給が可能となりました。
(詳細については下記システム構成をご覧ください。)

再生可能エネルギー等導入補助金事業(平成23年度グリーンニューディール基金)について

詳細な系統図は以下を参照願います。
お問い合わせ先
より良いウェブサイトにするためにみなさまのご意見をお聞かせください
重要なお知らせ
こちらのページも読まれています
同じカテゴリから探す